空心角度传感器VTA68K08单圈
型 号:单圈空心角度传感器VTA68K08
类 型:绝对值传感器、空心角度传感器、角度传感器、中空传感器、空心编码器
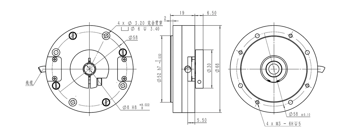
外 径:68mm
内 径:08mm
安装轴类型:空心
分辨率:15bit/16bit/18bit/19bit/20bit
精 度:±0.1°/±0.05°/±0.01°/±0.005°/±0.002°°
工作电压:9∽36V
接线方式:输出电缆
通讯接口:RS232C、RS422、RS485、CAN、开关量、电压值、电流值
最高转速:100r/min
防护等级:IP54(可至IP65)
工作温度:-45℃~+70℃
代理品牌:维特森
型号规则
外形尺寸图+说明书
链接方式:键
链接方式:夹紧环
■ 测量范围: 1圈*(0~360°);可定制 外观: ● 外形特征:中空式本体同步法兰,硬铝合金外壳密封双轴承结构。 ● 转轴形式:同心轴通孔,夹紧环/键两种连接方式(2选1)。 ● 安装方式:本体通孔螺丝紧固或加装安装支架紧固。 ● 外壳颜色:黑色或其它定制颜色。 ● 表面处理:喷砂氧化或喷漆。 ● 出线方式:1m黑色屏蔽电缆。 特点: ● 自主“磁阵列检测”技术,输出线性优异。 ● 绝对角度输出, 即读即用,无累积误差。 ● 非接触式测量,避免了使用过程中的磨损,使用寿命长,免维护。 ● 串行通信,可实现多种通信协议,方便连接各种上位机设备。 ● 宽工作电压,低消耗电流。 ● 零位可设定,安装方便,无需找零。 ● 2路可编程开关输出信号,能轻松实现行程限位及安全保护功能。
■ 测量范围: 1圈*(0~360°);可定制
外观:
● 外形特征:中空式本体同步法兰,硬铝合金外壳密封双轴承结构。 ● 转轴形式:同心轴通孔,夹紧环/键两种连接方式(2选1)。 ● 安装方式:本体通孔螺丝紧固或加装安装支架紧固。 ● 外壳颜色:黑色或其它定制颜色。 ● 表面处理:喷砂氧化或喷漆。 ● 出线方式:1m黑色屏蔽电缆。
特点:
● 自主“磁阵列检测”技术,输出线性优异。 ● 绝对角度输出, 即读即用,无累积误差。 ● 非接触式测量,避免了使用过程中的磨损,使用寿命长,免维护。 ● 串行通信,可实现多种通信协议,方便连接各种上位机设备。 ● 宽工作电压,低消耗电流。 ● 零位可设定,安装方便,无需找零。
● 2路可编程开关输出信号,能轻松实现行程限位及安全保护功能。
友情链接:
版权所有:山西泰润达科技有限公司 手机:186 3579 9262 / 152 0351 4297
电话:0351-7021318、0351-7026028-802
地址:山西省太原市小店区长治路181号阳光银座2号楼B-6二层 备案号:晋ICP备19007784号-1 淘宝店铺:https://shop110239794.taobao.com